|
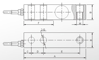
量(liàng)程 |
尺寸 |
螺紋(wén) |
||||||||
|
Klb |
t |
A |
B |
C |
D |
E |
F |
G |
inch |
mm |
|
0.1-5 |
0.02-2 |
130.2 |
32.2 |
15.5 |
25.5 |
76.3 |
57.2 |
13.5 |
1/2-20 |
M12X1.75 |
|
5-10 |
2.5-5 |
171.2 |
38.0 |
19.0 |
19.2 |
95.5 |
76.2 |
20.2 |
3/4-16 |
M18X1.5 |
|
15-20 |
7.5-10 |
222.5 |
50.6 |
25.5 |
25.5 |
124.0 |
102.2 |
27.2 |
1″-14 |
M24X2 |

在線訂購