|
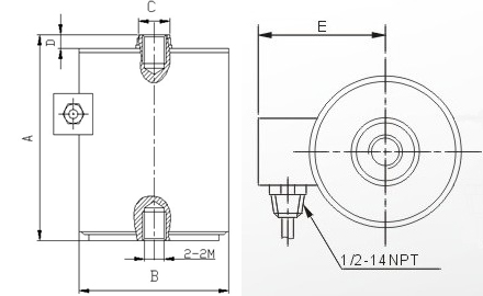
量程(chéng)Capacity |
尺寸Size (mm) |
||||||
|
Klb |
A |
B |
C |
D |
E |
M |
F |
|
0.5~3 |
116.0 |
90.0 |
16.0 |
6.5 |
73.0 |
1/2-20 |
22.5 |
|
5~10 |
151.0 |
89.5 |
34.5 |
9.5 |
73.0 |
1-14 |
32.5 |
|
20~30 |
216.0 |
127.5 |
63.5 |
13.5 |
91.0 |
1-12 |
51.5 |
|
50~100 |
291.0 |
165.0 |
76.0 |
13.5 |
112.5 |
2-12 |
70.5 |

在(zài)線訂購(gòu)